Drain hose connection
Insert the drain hose into a drain pipe with a minimum diameter of 4cm, or let it run into the sink, making sure to avoid bending or crimping it. If necessary, fit a siphon trap (U-bend) with a connecting piece for the drain hose (fig.B). The free end of the hose must be at a height between 40 and 100 cm and must not be immersed in water.
[The connecting piece for siphon trap (U-bend) must be solidly fastened to the wall to prevent the drain hose from moving and allowing water to spill outside the drain.]
Insert the drain hose into a drain pipe with a minimum diameter of 4cm, or let it run into the sink, making sure to avoid bending or crimping it. If necessary, fit a siphon trap (U-bend) with a connecting piece for the drain hose (fig.B). The free end of the hose must be at a height between 40 and 100 cm and must not be immersed in water.
[The connecting piece for siphon trap (U-bend) must be solidly fastened to the wall to prevent the drain hose from moving and allowing water to spill outside the drain.]
Should not put into the dishwasher
Cutlery and tableware manufactured in whole or part from wood. They become faded and unsightly in appearance. Furthermore, the adhesives that are used are not suitable for the temperature that occur inside the dishwasher. Delicate decorative glassware and vases,special antique or irreplaceable china.
The decorative patterns on such items will not be dishwasher-proof.
Plastic objects that are not resistant to hot water, copper and pewter utensils are also not suitable.
Decorative patterns printed or painted onto the surface of crockery, glasses, etc., aluminum and silver items tend to become discolored or faded if washed in the dishwasher. Some types of glass can become opaque in appearance after they have been washed many times in a dishwasher. Highly absorbent materials, such as sponges and towels, should never be placed in the dishwasher.
To use the lower rack
Place the most difficult to clean items on the bottom rack: pots, pans, lids, serving dishes and bowls, as shown in the figure to the right.
It is preferable to place serving dishes and lids on the sides of the racks in order to avoid blocking the rotation of the top spray arm.
Pots, serving bowls, etc. must always be placed face down. (see fig)
Deep pots should be slanted to allow the water to flow out.
The silverware basket can be doubled (see fig.D) so that only one section may be used when the silverware load is light. This also makes space for additional pots and pans and it can also be placed in the upper rack.
Silverware should be placed in the silverware basket with the
handles at the bottom; if the rack has side baskets, the spoons should be
located individually into the appropriate slots. Especially long utensils
should be placed in the horizontal position at the front of the upper rack.
How to use the upper rack
The upper rack is designed to hold more delicate and lighter
dishware, such as glasses, cups and saucers, plates, small bowls and shallow
pans (as long as they are not too dirty).
Position the dishes and cookware so that they do not get moved
by the spray of water.
The upper rack can be adjusted for height by using the knobs located on both sides of the rack itself.
The upper rack can be adjusted for height by using the knobs located on both sides of the rack itself.
Adjust the upper basket to the higher level and you have more
space to accommodate those taller pans and trays in the bottom basket.
Shelf
Lean tall glasses and those with long stems against the shelfnot against other items to be washed.
Place glasses, cups and small bowls on the additional cup rack.
The additional cup rack can be swiveled in or out as required.
Lean tall glasses and those with long stems against the shelfnot against other items to be washed.
Place glasses, cups and small bowls on the additional cup rack.
The additional cup rack can be swiveled in or out as required.
Starting a wash cycle...
Make sure that the plug for the appliance is inserted into the wall socket.
Make sure that the water supply is turned on to full pressure.
Load the dishwasher .
Pour in the detergent.
Press the ON-OFF button, and the State Indicator will turn on.
Turn the knob located on the right of the control panel until the number or symbol for the cycle setting is aligned with the reference mark (see the section entitled, program overview).If the knob rightly aligned with the reference mark you want to choose, you must turn the knob to with the mark of “Reset” .Then back to first step.
After five seconds the State Indicator will turn off, the wash cycle will begin.
Make sure that the plug for the appliance is inserted into the wall socket.
Make sure that the water supply is turned on to full pressure.
Load the dishwasher .
Pour in the detergent.
Press the ON-OFF button, and the State Indicator will turn on.
Turn the knob located on the right of the control panel until the number or symbol for the cycle setting is aligned with the reference mark (see the section entitled, program overview).If the knob rightly aligned with the reference mark you want to choose, you must turn the knob to with the mark of “Reset” .Then back to first step.
After five seconds the State Indicator will turn off, the wash cycle will begin.
At the end of the wash cycle..
When the buzzer constantly beeps six times, the State
Indicator will turn on and the cycle has finished.
Turn off the appliance using the ON-OFF button, turn off the water supply and open the door of the dishwasher.
Wait a few minutes before unloading the dishwasher to avoid handling the dishes and utensils while they are still hot and more susceptible to breakage. They will also dry better.
Turn off the appliance using the ON-OFF button, turn off the water supply and open the door of the dishwasher.
Wait a few minutes before unloading the dishwasher to avoid handling the dishes and utensils while they are still hot and more susceptible to breakage. They will also dry better.
Cancelling or modifying a wash cycle setting
A cycle that is underway can only be modified if it has been
running for a short time. Otherwise, the detergent may have already been used,
and the appliance may have already drained the wash water. If this is the case,
the detergent dispenser must be refilled (see the paragraph entitled, "Loading
the Detergent").
Rotate the knob to the mark of “Reset”,the appliance will
take a few minute drain phase. During this process, you can select right
program.
When you go on holiday, it is recommended that you run a
wash cycle with the dishwasher empty and then remove the plug from the socket,
turn off the water supply and leave the door of the appliance slightly ajar.
This will help the seals last longer and prevent odors from forming within the
appliance.
Filters
The filters “ 8”,“ 9” prevent larger particles of food in the water from reaching the pump. These particles may occasionally block the filters.
When the appliance has finished washing, check the filters for particles of food and, if required, clean.
After undoing the coarse micro-filter “ 8 ” , the filter unit “ 9” can be removed. Remove any particles of food and rinse the filters under running water.
Insert the filter unit “ 9 ” and tighten the coarse micro filter.
Spray arms
Lime and remnants of food in the washing water can block the nozzles in the spray arms “ 10 ” and “ 11 ” and the arm mountings
Lime and remnants of food in the washing water can block the nozzles in the spray arms “ 10 ” and “ 11 ” and the arm mountings
Inspect the nozzles in the spray arms for blocked holes due
to remnants of food.
If necessary, pull the lower arm “ 11 ” upwards and lift it off.
Unscrew the upper spray arm “ 10 ”.
Clean both spray arms under running water.
Refit the spray arms. Ensure that the lower arm has locked into place and the upper one is screwed tight.
If necessary, pull the lower arm “ 11 ” upwards and lift it off.
Unscrew the upper spray arm “ 10 ”.
Clean both spray arms under running water.
Refit the spray arms. Ensure that the lower arm has locked into place and the upper one is screwed tight.
Error displays on the State Indicator “ B ”.
When the buzzer emits 1 short warning signal every 30
seconds.
Have you checked whether:
the door is closed properly.
Have you checked whether:
the door is closed properly.
When the buzzer emits 3 short warning signal every 30
seconds.
Have you checked whether:
Have you checked whether:
The drain hose is too low.
When the buzzer emits 4 short warning signal every 30
seconds.
Have you checked whether:
Have you checked whether:
The drain hose is crimped or bent.
The drain hose is too high.
The drain hose is too high.
When the buzzer emits 5 short warning signal every 30
seconds
the water is turned on and the hose is connected properly;
the water supply to the house is on and has sufficient pressure;
the water supply hose is crimped or bent;
the filter for the water supply hose is clogged.
The drain hose is too low.
the water supply to the house is on and has sufficient pressure;
the water supply hose is crimped or bent;
the filter for the water supply hose is clogged.
The drain hose is too low.
When the buzzer emits 2 or 6 short warning signals every 30
seconds,Contact the nearest authorized service center.
If you take all these checks and the dishwasher still does
not function or your dishwasher have any other error display, you can power the
dishwasher OFF, and wait a few minutes. You can power the dishwasher on, try it
again , if the dishwasher still does not function and/or the problem persists,
contact the nearest authorized service center and provide them with the
following information:
the nature of the problem.
The model type number (Mod...) and the serial number (S/N...), which are indicated on the plate located on the side of the inner part of the door.
the nature of the problem.
The model type number (Mod...) and the serial number (S/N...), which are indicated on the plate located on the side of the inner part of the door.
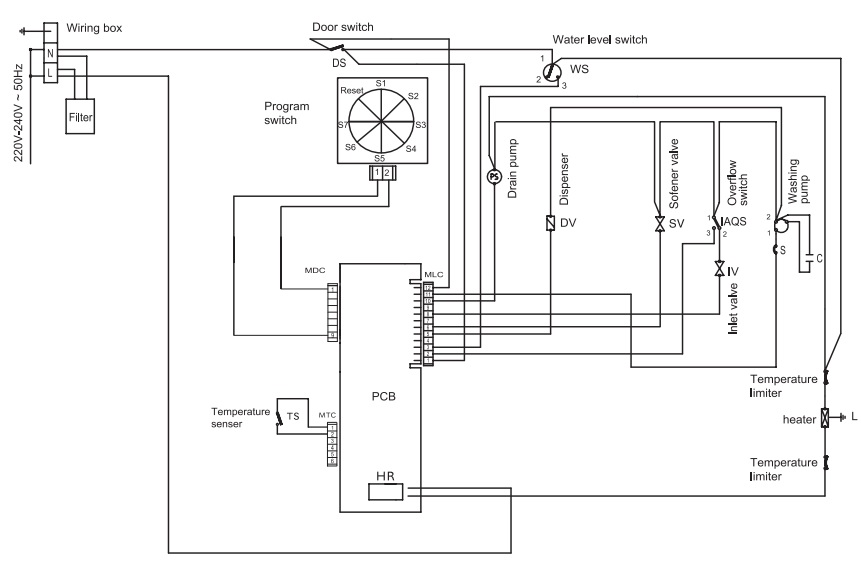
Electrical circuit diagram
Lower spray arm rotates with difficulty
Spray arm is blocked by small items or food remains.
Lid in detergent compartment cannot be closed
Detergent compartment has been overfilled.
Mechanism is clogged with remnants of detergent.
Indicator lamps do not extinguish after washing has finished
Main switch is still set to ON.
Remnants of detergent stuck inside dispenser
Compartment was damp when it was filled up with detergent. Compartment must be dry before detergent is added.
Lid in detergent compartment cannot be closed
Detergent compartment has been overfilled.
Mechanism is clogged with remnants of detergent.
Indicator lamps do not extinguish after washing has finished
Main switch is still set to ON.
Remnants of detergent stuck inside dispenser
Compartment was damp when it was filled up with detergent. Compartment must be dry before detergent is added.
Water remains inside appliance after program has ended
Blockage or kind in drainage hose.
Pump is jammed.
Filters are blocked.
The program is still running. Wait for the program to end .
During washing Unusual amount of foam is creased
Normal washing up liquid has been poured into the rinse-aid container
Remove any spilled rinse aid with a cloth as it could otherwise lead to excessive foaming during the next washing cycle.
Appliance stops suddenly while washing is taking place
Cut off electricity supply to appliance.
Water supply has been interrupted.
Knocking sound while washing is taking place
A spray arm is knocking against the dishes inside the appliance.
Rattling sound while washing is taking place
Crockery has not been stacked properly inside the appliance.
Knocking sound coming from inlet valves
This is caused by the way the water pipes have been laid and it has no effect upon the way the appliance functions. There is no remedy for this with the dishes,cutlery, etc.
This is caused by the way the water pipes have been laid and it has no effect upon the way the appliance functions. There is no remedy for this with the dishes,cutlery, etc.
Remnants of food are stuck to the dishes, cutlery,etc.
Dishwasher was not loaded properly. Jets of water could not reach all parts of the dishes, etc.
Too many items in the rack.
Items in the rack were touching each other.
Not enough detergent was added to dispenser.
Selected wash program was not intensive enough.
Rotation of spray arm was obstructed by dishes, etc.
Nozzles in spray arm are blacked by remnants of food.
Filters are blacked.
Filters have been incorrectly fitted.
Waste-water pump is jammed.
Dishwasher was not loaded properly. Jets of water could not reach all parts of the dishes, etc.
Too many items in the rack.
Items in the rack were touching each other.
Not enough detergent was added to dispenser.
Selected wash program was not intensive enough.
Rotation of spray arm was obstructed by dishes, etc.
Nozzles in spray arm are blacked by remnants of food.
Filters are blacked.
Filters have been incorrectly fitted.
Waste-water pump is jammed.
Plastic items are discolored
Not enough detergent was added to dispenser.
Detergent has insufficient bleaching properties. Use a detergent containing a chemical bleaching agent.
White stains are left on crockery, glasses have a milky appearance
Not enough detergent was added to dispenser compartment.
Amount of rinse-aid was set too low.
Although water is quite hard, no salt has been put in appliance.
Water softener was set too low.
Lid on salt container is not screwed tight.
If you used a phosphate-free detergent, try a detergent containing phosphates and compare results,
have not been dried Dishes, cutlery, etc
Selected program did not include drying function.
Amount of rinse-aid was set too low.
Items were removed from dishwasher too soon
Items were removed from dishwasher too soon
Glasses have a dull appearance
Amount of rinse-aid was set too low.
Tea stains or traces of lipstick have not been completely
removed
Detergent does not have a sufficient bleaching effect.
Washing temperature was set too low
Washing temperature was set too low
Traces of rust on cutlery
Cutlery is not sufficiently rustproof.
Salt content in washing water is too high
Salt content in washing water is too high
Lid on salt container is not screwed tight.
Too much salt was split while filling container
Too much salt was split while filling container
Glasses become clouded and discolored; coating cannot be wiped off
Unsuitable detergent was used.
Glasses are not dishwasher-proof
Smears left behind on glasses and cutlery; glasses have acquired a metallic appearance
Amount of rinse-aid set too high



